Отечественный программный продукт nanoCAD СКС предназначен для профессионального проектирования структурированных кабельных систем.
На данный момент в nanoCAD СКС можно быстро и уверенно работать:
- с подсистемой рабочего места, для чего в программе служит Мастер конфигурации рабочих мест, с помощью которого можно создавать рабочие места любой сложности;
- с горизонтальной подсистемой, для которой программа очень точно и аккуратно подсчитывает кабель с учетом коэффициента запаса на укладку в кабельных каналах, а также запасов на укладку в шкафу и со стороны рабочего места;
- подсистемой телекоммуникационной, для которой программа автоматически подсчитывает количество панелей кросса СКС, панелей телефонного кросса – с возможностью подсчета коммутаторов или панелей второго представления портов коммутаторов;
- с магистральной подсистемой здания. Программа обеспечивает возможность создания соединений как по «оптике», так и по «меди».
- с мощным функционалом для проектирования кабеленесущих систем.
Но на семинарах, вебинарах и выставках звучит один и тот же вопрос: разве нельзя соединить между собой несколько зданий?
Знание работы инструментов программы плюс немного инженерной смекалки – и ответ будет положительным!
Для соединения между собой нескольких зданий достаточно выполнить ряд простых шагов и принять пару допущений.
Шаг 1. Создаем проект.
Шаг 2. Нужно соединить «звездой» несколько зданий – пусть их будет три. Создаем в проекте три чертежа с именами Здание 1 – Этаж 1, Здание 2 – Этаж 1, Здание 3 – Этаж 2 (рис. 1).
Шаг 3. Стандартными средствами nanoCAD, внешними ссылками, загружаем подосновы этажей.
Шаг 4. Определяем этажи и помещения на подосновах. Задаем им свойства (рис. 2).
Шаг 5. Создаем в проекте дополнительный чертеж и называем его Территория.
Шаг 6. Загружаем выкопировку генплана. Если такой возможности нет, создаем условный план территории обычными примитивами nanoCAD.
Шаг 7. На этом шаге следует сделать допущение – определить территорию как одно большое здание (рис. 3).
Шаг 8. На этом шаге предстоит кропотливая работа: нужно сделать сопряжение, создать связи между чертежами здания и чертежом территории – чтобы кабель правильно протрассировался из одного здания в другое. Как известно, в nanoCAD СКС существует инструмент Дальние связи, который предназначен для связи этажей одного здания. Им и воспользуемся. К тому же в базе условных графических обозначений (УГО) представлены не только УГО переходов между этажами, но и УГО для выхода на территорию. Здесь опять потребуется сделать допущение: например, что УГО Выход устанавливается в здании, а УГО Вход – на чертеже территории (рис. 4).
Связи между зданием и территорией желательно создавать последовательно, чтобы не возникло путаницы. Возьмем для примера Здание 1. Устанавливаем в здании УГО Выход. Сразу же задаем ему свойства: Номер этажа – 1, Имя стояка 1-123. Если выход из здания находится в подвале, то свойству Высота нижней точки устанавливаем отрицательное значение. Переходим на территорию, устанавливаем УГО Вход – главное, что у Входа свойство Имя стояка должно иметь то же самое значение, 1-123 (рис. 5).
Далее нажимаем на панели инструментов кнопку Автоматическое соединение дальних связей. Связь между зданием и территорией создана. Проверим? Мастер дальних связей покажет связь при выборе любого из УГО: в одном поле будет отображаться Подъем, в другом – Спуск. Если же одно из полей окажется пустым, значит у УГО не совпадает свойство Имя стояка (рис. 6).
Повторяем операцию создания связей для других зданий (с той только разницей, что для Здания 2 Имя стояка будет 2-123, а для Здания 3 – 3-123).
Шаг 9. Прокладываем трассы/кабельные каналы по территории с помощью Мастера конфигурации каналов. При желании устанавливаем тип кабельного канала и для входов-выходов. Принимаем, что «звезда» по территории пойдет от Здания 1.
Шаг 10. Устанавливаем шкафы из базы УГО и выбираем из баз производителей их тип.
Шаг 11. Устанавливаем в шкафах оптические панели. В шкафу Здания 1 устанавливаем 16-портовую панель, а в Здании 2 и Здании 3 – 8-портовую. Для панели шкафа в Здании 1 создаем два магистральных соединения, в свойствах первого соединения указываем Первый порт – 1, Число портов – 8, для второго Первый порт – 9, Число портов – 8.
Шаг 12. Переходим в Электротехническую Модель (ЭТМ) и подключаем Соединение 1 к панели шкафа Здания 2, Соединение 2 – к панели шкафа Здания 3. Закрываем ЭТМ.
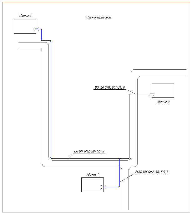
Шаг 13. Обновляем модель и устанавливаем выноски маркировки на чертеже территории. Кабель проложен (рис. 7)!
Заключение
Принятые допущения не позволяют сказать, что метод связи между зданиями идеален. Да, нужны прозрачные инструменты для создания полноценной магистральной подсистемы комплекса зданий, учитывающие различные топологии подсистемы. К тому же существуют и другие технологии соединения зданий в комплекс, но их использование в программе предполагает еще большее количество допущений. Мы, разработчики программного продукта nanoCAD СКС, это прекрасно понимаем и будем стремиться к созданию и совершенствованию программы, позволяющей работать с любой пассивной подсистемой на высоком уровне и с реализацией различных потребностей пользователей.
Максим Бадаев,
руководитель проекта ЗАО «Нанософт»
E-mail: badaev@nanocad.ru







Комментарии